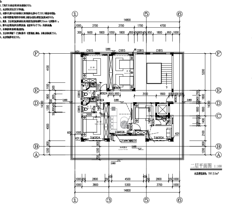
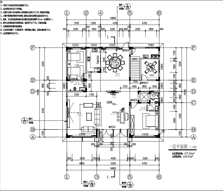
| 面宽:14.8m | 占地面积:217.50㎡ |
| 进深:14.3m | 建筑面积:409.01㎡ |
| 层数:二层 | 结构:框架结构 |
| 风格:新中式 | 图纸编号: |
效果图


平面图(楼层顺序排列)

声明:本站所有文章,如无特殊说明或标注,均为本站原创发布。任何个人或组织,在未征得本站同意时,禁止复制、盗用、采集、发布本站内容到任何网站、书籍等各类媒体平台。如若本站内容侵犯了原著者的合法权益,可联系我们进行处理。
| 面宽:14.8m | 占地面积:217.50㎡ |
| 进深:14.3m | 建筑面积:409.01㎡ |
| 层数:二层 | 结构:框架结构 |
| 风格:新中式 | 图纸编号: |


