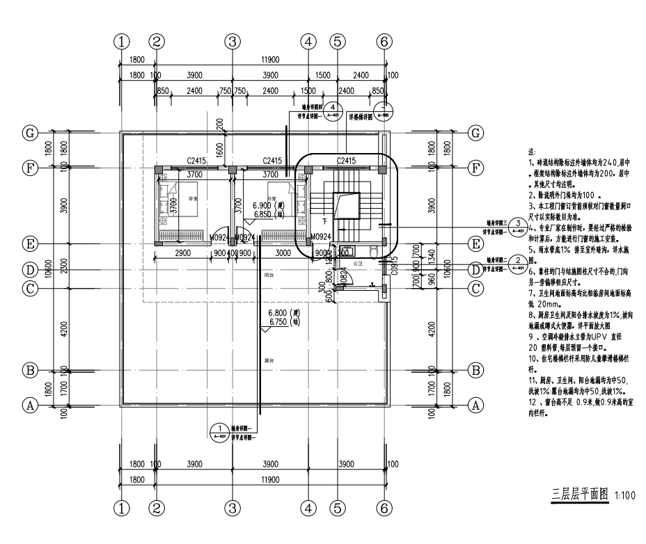
面宽:11.9m 占地面积:138.04㎡
进深:10.6m 建筑面积:326.08㎡
层数:三层 结构:框架结构
风格:现代 图纸编号:

效果图

 

平面图(楼层顺序排列)


 

 

 

 

声明:本站所有文章,如无特殊说明或标注,均为本站原创发布。任何个人或组织,在未征得本站同意时,禁止复制、盗用、采集、发布本站内容到任何网站、书籍等各类媒体平台。如若本站内容侵犯了原著者的合法权益,可联系我们进行处理。